腾势 D9 EV:心机的双枪,现阶段比 800 V 都快?
当我第一次接触新能源汽车的时候,我就曾天真地幻想过,若将交直流枪一同工作是不是能够有效提升充电功率?
直到我大学主修新能源汽车时,我才明白交流电需要通过车载充电机(OBC)进行交直流转换,才能给动力电池充电;而直流充电时,充电桩就已经在桩端把交流电转换成直流电,直接通过 BMS 就能够给车辆充电了,因此理论上并不能同时充电。
从实用角度来看,交流充电的最大功率也仅为 11 kW,普遍在 7 kW 左右,就算可以实际意义也并不大。
再往后,我第一次在市面上发现比亚迪 $比亚迪(002594)$ 的纯电动大巴和搅拌车这类商用车竟能双直流枪同时充电。而现在,比亚迪将这项技术直接下放至了腾势 D9 EV 版。在此之前,我们已经完整体验过腾势 D9 DM-i 了,对空间、驾驶感兴趣的可以点击这篇文章:「国产豪华 MPV 之路,10,000 字解析腾势 D9|42Test」。本篇文章我们更多集中在双枪快充的体验以及纯电版的外观和动态方面的体验。
双枪充电:技术下放
双枪充电虽然说不上是一个很新的技术,但在乘用车中,腾势 D9 EV 算是为数不多搭载这项技术的车型。在介绍双枪充电的过程中,我会从充电效率、使用体验、双枪技术三个方面展开,更多地想看看腾势 D9 EV 的双枪技术在实际体验中的优势如何。
充电效率能拿榜单第一?
之前腾势 D9 DM-i 上 40 kWh 的小电池组,在 614.4 V 的动力电池额定电压下跑出 90 kW,超 2C 的充电功率已经很让我们吃惊了。腾势 D9 EV 上搭载了 103 kWh 的电池包,动力电池的额定电压为 608 V。官方表示无论是右侧主充口、左侧副充口还是双枪并充的工况下,最大充电功率都可达 166 kW,30%—80% 充电时间仅为 30 分钟。
先说一下我们测试时的充电环境,充电桩我们选择的是常用的小桔充电,充电站在室外,气温 9 摄氏度上下,充电前车辆并未做电池预热。
左枪用的小桔单枪 60 kW 充电桩(额定输出电压 750 V、额定输出电流 105 A),右枪用的是小桔单枪 120 kW 充电桩(额定输出电压 750 V、额定输出电流 250 A)。我们实测从 8% 充电至 95% 仅耗时 43 分钟,到 100% 也仅需 58 分钟。此外当左枪 SOC 到 95% 就跳枪了,右枪可能是由于连接主充口的原因,一直充至了 100% 才跳枪。
充电过程中,左枪额定功率为 60 kW,实测最大电流 98.2 A,最大电压 681.8 V,功率达到 66.9 kW。右枪额定功率为 120 kW,实测最大电流 161.4 A,最大电压 682.5 V,功率达到 110.2 kW。双枪合计最大功率为 177.1 kW,已经超过了官方宣称的 166 kW 了。而且当 SOC 为 25% 的时候就已经达到了 167 kW 的峰值功率,实测效率非常可观,而且对于 103 kWh 的大电池来说确实具有意义。
目前我们充电榜单第一的是小鹏 G9,800 V 平台的 G9 在 120 kW 的小桔桩上跑满到 121.6 kW,5%—95% 的充电时长为 53 分钟。按照腾势 D9 的 43 分钟来推算,这似乎将成为 42Test 充电榜的新榜首,虽然这样确实不太公平。
高功率不挑桩,但是手机挑?
根据数据统计,在目前公共直流桩的分布中,低于 150 kW 占 71%(介于 60—120 kW 占 23%,介于 120—150 kW 占 37%),高于 150 kW 占 29%(介于 150—180 kW 占 18%,高于 180 kW 占 11%)。由此可见,即便开着搭载 800 V 平台的车辆,除去自营桩之外,800 V 平台的上限主要取决于充电桩的上限。
双枪快充对于腾势 D9 来说,即便充电桩的功率上限达不到车辆的上限,但是两把枪同时插入进行补能,无疑这种简单粗暴的方式在效果上更为明显。
凡事都有两面性,腾势 D9 EV 的双枪充电亦是如此。
166 kW 在大部分的具备 120 kW、750 V 条件的第三方桩上都能跑到,前提是你得有两个桩。除去单桩单枪之外,为了不被分流,在双枪桩上我们还需要找两个桩进行补能(参考下图中车辆停放的位置)。如果该充电站点的空闲率比较大就还好说,要是本来就紧张,就还挺不好意思的。
除去占位因素,部分充电软件、小程序是不支持同时进行多个订单的。经过我们的查询,小桔充电、加电 App 不可同时进行多个订单,星星充电、特来电最多同时进行 3 个订单,国家电网的 e 充电则无数量上的限制。所以高功率不挑桩,但是手机会挑桩。好在绝大部分的主流充电品牌都支持多个订单。
要真遇到了只有一部手机,方法也不是没有,同时用两个软件扫码充电,也能解决这个问题。
商用车下放,技术并不难
双枪最早出现在营运属性的纯电动大巴上,8 m 以上纯电大巴的动力电池充电电流基本上都支持 250 A 以上,但是面对动辄 200 kWh、300 kWh 的大巴,单枪直流充电电流最大支持 250 A 已经无法满足单日的里程需求了,所以双枪充电孕育而生,成为了纯电动大巴缩短充电时间的首选。对于 103 kWh 的腾势 D9 EV 来说也能有明显的实际意义。
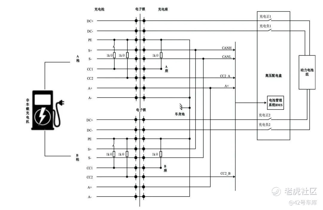
但是在原理上,双枪直流充电系统并非什么顶尖的新技术。双枪直流充电的关键控制一共就 4 步,插枪启动、识别锁定、充电过程、结束充电,流程上和单枪几乎没有差别。
BMS 依旧通过充电枪的物理连接信号 CC2 作连接判断,只不过多了一个 CC2 信号来识别单、双枪充电模式罢了。信号识别过后,由双路通讯实现双枪异步工作,所以不同直流枪任意组合在高压配电盒内进行电流合流,再给动力电池组补能。这样就能够在原先 250 A 的电流上进行增流,以达到提升功率的效果。
比起现阶段,800 V 车辆及充电设施的成本高、涵盖少。腾势 D9 EV 的双枪直流充电在技术上并不需要投入非常大的成本,对刀片电池应对大电流的升温、散热做好处理就行,腾势赵长江表示,相比单枪的成本增长接近万元,但在当下能换取高功率的补能体验。
动态:重 120 kg 有变化吗?
之前我们已经深度体验过腾势 D9 DM-i 版本了,舒适高级的悬挂表现给我们留下了很深的印象。而这次的 EV 600 四驱旗舰型,去掉了增程器换上了一块 103 kWh 的大电池,因此车重直接上涨 120 kg,约等于两个成年人的重量。
此外动力参数上也更为激进,双电机总功率达到 275 kW(前电机提升 60 kW),总扭矩达到 470 N·m(提升 20 N·m),百公里加速成绩提升至 6.9 秒。所以重量变重、动力变强后的腾势 D9 EV 在动态驾驶会不会有所变化?
实际驾驶感受上,DM-i 关闭内燃机之后两车几乎没有差异。腾势 D9 EV 无论是转向、加速制动踏板都比较沉,没有那种轻快的感觉,有明显开大车的感觉。
转向手感方面,方向盘电子阻力较沉,多数场景需要用上两只手来转动方向盘,中间 15° 内的虚位也比较大,好在方向盘回正力矩比较大,无论掉头还是转弯回正很积极。而沉 + 中间段虚位大,所带来的调校优势就是车辆行驶中不易出现晃动,能比较容易地把这台车开得很舒适。
加减速踏板也是如此,较沉的脚感外加长踏板行程,也能够让车辆得到精准的加减速控制。在系统选项中,智能底盘的调节项很多。制动助力有两档可选,舒适模式下能提供柔和的前段制动反馈,运动模式下前段制动反馈则会明显很多,有助于增强高速行驶的制动信心。
此外还有一个舒适加速、舒适减速可选。原理是通过调节 DiSus-C 智能阻尼悬架来抑制车辆加减速的抬、点头现象。打开开关后,由于车辆 6.9 秒的加速在这个量级上确实猛,因此抬头现象仍可明显感知。但是制动上的点头抑制会明显很多,尤其是车辆松开制动踏板后,不会前后晃晃悠悠的。
作为一台 MPV 悬挂本就应该舒适,外加电子悬挂的加持,为了作出区分则需要把悬挂做得再舒适一些。因此腾势 D9 EV 跑起来时对颠簸的化解特别圆滑,绝大部分的路面坑洼都能通过被悬挂给吸收并隔绝,是典型悬挂软,形成长的处理方式。
长行程的另一个好处就是,即便遇到非常深的沟坎,震动也不会直接对车内造成冲击。但极限条件下车辆依旧会颤,这也是目前 MPV 的通病,不过同级别比较下,腾势 D9 的处理已经比绝大部分的 MPV 都要优秀不少,同时长轴距也能带来更好的高级感。
来到细碎的颠簸上,腾势 D9 EV 的处理也会尽可能抹除,但是这种路况下的隔绝没有很彻底。部分破碎路面的震动反馈会被传递进车内,前提是你要像我一样以评价的角度来体会震动的传递。
总得来说,在动态的路面上,腾势 D9 EV 是具有非常好的舒适性体验的,这种表现完全不输同级别竞品。相比 DM-i 在没有了内燃机之后,震动和噪音都有了更好的提升,外加基础风噪、胎噪、震动的隔绝都很到位,腾势 D9 EV 是有高级感的。
额外再提一嘴能耗,近 50 km 我几乎都是开着 22 度空调,载两人以纯高速 120 km/h 的速度在驾驶,表显的平均能耗为 24 kWh/100 km,同时 SOC 剩余 60% 的情况下动态表显续航里程还剩 361 km。这样的能耗对于一台四驱 MPV 来说表现值得肯定,不严谨的计算下,理论满电续航为 429 km,单次充电跑个沪杭往返没有问题。能够满足家人、商务的近郊出行需求。
外观:前脸换风格
最后我们再来看腾势 D9 EV 在外观方面的变化。
车身尺寸上 EV 纯电版和 DM-i 混动版是完全保持一致的,长宽高分别为 5,250 × 1,960 × 1,920 mm,轴距为 3,110 mm,这样的体型在 MPV 中算得上是非常大的。
EV 版腾势 D9 整个车身与 DM-i 最大的变化在于车头的中网样式。DM-i 的中网更加复杂,一颗颗单独的镀铬装饰像钢制表带一样彰显气势,而 EV 纯电版一下子就简洁许多了。其前脸是封闭式设计,共计 12 根直瀑式的竖状饰条就是整个前脸的全部装饰了。相较 DM-i 略少一丝气势,但是简洁的线条更加符合 EV 纯电的定位。
少了一个内燃机之后,我本以为前舱内会安放一个前备箱。打开之后则是空空荡荡的,日常维保需要更换的刹车油、玻璃水、冷却液壶都有意抬高位置,便于后期更换。布在下方的是常规的高压控制器和电机等,上方的空间若在后期能装个小尺寸的前备箱,会更加实用。
车身侧面标配了双电动门,值得注意的是 EV 版在进行双枪充电的过程中,后排的两个电动门均无法打开。所以在充电前,后排乘客有下车需求的话要提前下车并带好随身物品。因为当车辆开始双枪充电,你再想拿取后排的物品是比较困难的。
此外腾势 D9 EV 版的轮胎品牌也和 DM-i 一样,有米其林 e·PRIMACY 和马牌 PremiumContact C 两种可提供。米其林 e·PRIMACY 更注重节能,平均滚阻比同类型轮胎低 2 kg/t,同时也能够兼顾一定的抓地力性能,即便腾势 D9 在全力加速时也不会出现打滑 ESP 介入的现象。后者马牌 PremiumContact C 则更注重性能和操控表现。
无论 EV 还是 DM-i 都是 235 /60 R18 的规格,宽厚的胎壁也是保证舒适性的一大关键要素。顶配车型上还会配备自修复功能,路上即便扎钉了,只要不太大,拔出来依旧可以正常行驶,这点还是非常便捷省心的。
EV 版的尾部几乎没有改动,除了尾标上有一个 EV 字样以外没有更多的变化了。保持着方正的设计,外加后尾翼能在一定程度上优化尾部的气流来减少阻力。
OTA:辅助驾驶是重点
在这次的展示过程中,腾势还展示了下一版的 OTA 更新,将会新增 14 项内容、优化 23 项体验。这次 OTA 的主要亮点集中在辅助驾驶、APA 自动泊车以及 Link 智能交互上。
辅助驾驶方面增加智能领航(ICC)功能、紧急车道偏离辅助(ELKA)功能、交互式变道辅助(ILCA)功能(拨杆变道)、车道偏离辅助(LCD/LDW)。其中 LCC 可实现 130 km/h 以内的车道居中控制,ACC 能够实现 150 km/h 以内的自适应巡航控制,此外 60—130 km/h 以内还有大车避让功能。能够满足大部分场景下的巡航控制。
APA 智能泊车方面新增寻找有效车位功能、车位信息存储及选择功能、水平自动泊车、垂直自动泊车、斜方位自动泊车、自动泊出功能、全自动泊车。当车辆在小于 25 km/h 速度范围内,自动搜索车辆周围 0.5—1.5 m 的车位并提供最多 6 个可选车位给驾驶员选择。同样也满足了自动泊车的日常使用需求。
腾势 Link 智能交互上新增前后排主题联动、动态壁纸、K 歌等功能。具体内容并未在本次 EV 版车型上体验到。如果大家点赞互动中对腾势 D9 的辅助驾驶、自动泊车和车机更新的内容非常感兴趣,我们也会针对下一版 OTA 单独做一期节目满足大家。
写在最后
腾势 D9 从 DM-i 到 EV 纯电,作为一台对实用、补能需求更大的车型,两个版本都将自己目前最佳的技术拿出来,提供自己的解决方案。
从实测充电功率以及现阶段充电桩基建的普遍分布来看,为这块 103 kWh 的大电池上双枪快充是存在一定意义的。不挑桩,能在普遍的场景下跑出桩端的双倍功率或是跑满 166 kW 的最大功率,达到快速补能的效果。随着后期 180 kW 的快充桩在市面上的覆盖率更高了,腾势 D9 EV 也能够做到单枪 166 kW 的最大补能效率,这点也是值得肯定的。
使用体验上来看,大部分的软件、小程序也能够同时进行多个订单。若真是着急补能、着急出发,短时间「借」用一个位置,站在车主角度上来看也是解决燃眉之急的最佳方式。
但是我们往后几年看,800 V 高压平台越来越普及了,充电设施的基建也全面升级了。面对动辄 400 kW+ 的充电功率,双枪的优势则会荡然无存。这个时候又回归了单枪高压、大电流的方式,所以我们也更期待 800 V 高压平台以及大电流超充的普及,这才是真正技术提升所带来的变革。
免责声明:上述内容仅代表发帖人个人观点,不构成本平台的任何投资建议。


